首页
产品中心
应用行业
新闻中心
招贤纳士
关于milan.com
资源中心
搜索
产品中心

为您提供企业级互联芯片解决方案

INTL9511

支持热插拔的I2C和SMBus总线缓冲器


支持I2C总线标准模式和快速模式,双向数据传输

支持所有SDA和SCL线路上的1V预充电,防止热插拔损坏

支持掉电后I2C管脚高阻态

支持时钟拉伸、仲裁和同步

工作电压: 2.3~5.5V

工作温度:-40℃~85℃

封装:MSOP8

产品资料下载
产品详情

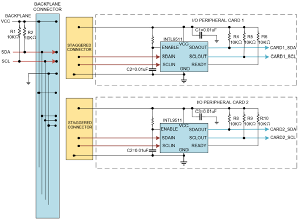
INTL9511是一款热插拔I2C总线缓冲器,支持将I/O卡插入带电背板中,而不会损坏数据和破坏时钟线路。控制电路可防止背板侧I2C线路(输入)直接与板卡侧 I2C线路(输出)相连接(直到背板上出现停止命令或总线空闲情况为止),而不会在板卡上发生总线帧错误的情况。当I2C总线空闲时,可通过将EN引脚设置为低电平将INTL9511置于关断模式,从而降低功耗。当EN被拉高时,INTL9511将恢复正常运行。


9511.png


应用框图

产品应用

服务器

存储设备

交换机

路由器

基站

工业自动化设备

Copyright © 2019-2025 成都milan.com微电子科技股份有限公司 版权所有 备案编号: 蜀ICP备2022009451号 川公网安备 51019002004893号

登录
注册
重设密码